Фильтр
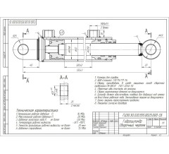
Диаметр поршня, мм
Диаметр штока мм
Новинки

























































































































































































-2hp18l-240x218.jpg)