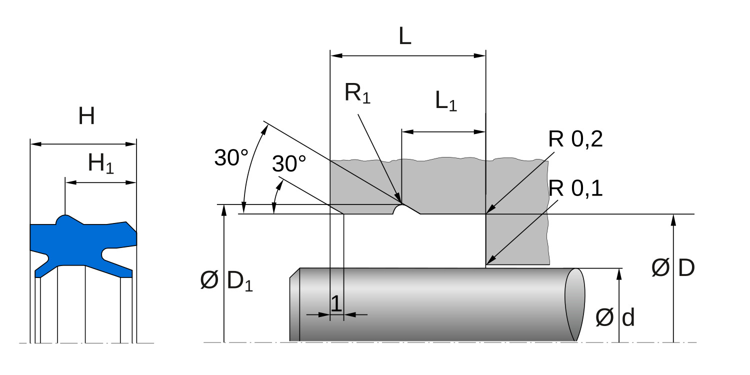
Уплотнения штока AU NIPSL
Уплотнения штока AU NIPSL
| Артикул
|
Материал
|
d, мм
|
D, мм
|
H, мм
|
H1, мм
|
L, мм
|
L1, мм
|
R1, мм
|
| 49072208
|
94 AU 21200
|
12
|
22
|
10.70
|
7
|
13
|
7.70
|
1.10
|
| 49076049
|
94 AU 21200
|
12
|
20
|
10.40
|
7
|
13
|
7.70
|
1.10
|
| 49076087
|
94 AU 21200
|
14
|
24
|
10.40
|
7
|
13
|
7.70
|
1.10
|
| 49072209
|
94 AU 21200
|
16
|
26
|
10.70
|
7
|
13
|
7.70
|
1.10
|
| 49076088
|
94 AU 21200
|
18
|
26
|
10.70
|
7
|
13
|
7.70
|
1.10
|
| 49076089
|
94 AU 21200
|
18
|
28
|
10.40
|
7
|
13
|
7.70
|
1.10
|
| 49072210
|
94 AU 21200
|
20
|
30
|
10.70
|
7
|
13
|
7.70
|
1.10
|
| 49076090
|
94 AU 21200
|
22
|
32
|
10.40
|
7.30
|
13
|
8
|
1.40
|
| 49072211
|
94 AU 21200
|
25
|
35
|
10.70
|
7.30
|
13
|
8
|
1.40
|
| 49076091
|
94 AU 21200
|
30
|
40
|
10.70
|
7.30
|
13
|
8
|
1.40
|
| 49076142
|
94 AU 21200
|
32
|
42
|
10.70
|
7.30
|
13
|
8
|
1.40
|
| 49076143
|
94 AU 21200
|
40
|
50
|
10.70
|
7.30
|
13
|
8
|
1.40
|
| 49076144
|
94 AU 21200
|
50
|
60
|
10.70
|
7.70
|
13
|
8.60
|
1.80
|