Фильтр
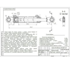
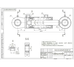
Диаметр поршня, мм
Диаметр штока мм
Новинки
























































































































































































