Фильтр
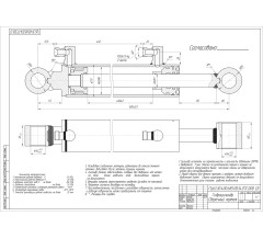
Диаметр поршня, мм
Диаметр штока мм
Новинки


























































































































































































-2hp18l-240x218.jpg)