Фильтр
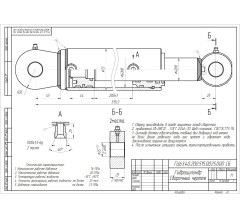
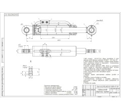
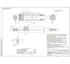
Диаметр поршня, мм
Диаметр штока мм
Новинки























































































































































































